一、產品概述
YK-120B 超穩數字壓力表傳感器采用單晶硅壓力傳感器、藍寶石傳感器等,時漂更小,穩定性更好,壓力范圍更寬,屬于100 系列升級款,采用鑄鋁外殼,外觀更加美觀。 精密數字壓力表采用高精度低功耗大規模集成電路為核心器件,主要由高精度測量芯片、電池充電保護電路、傳感器和信號處理電路組成。 該產品采用微處理器對儀表零點漂移,非線性等進行自動補償、修正,采用高穩定度壓力傳感器等高性能器件,確保儀表精度和可靠性。該儀表可自行設定各種功能參數,應用靈活,且有各種功能可選定,可用作較高準確度壓力校準標準器(表),也可用作工作儀表、電力、冶金、石油、化工等行業實驗室和現場進行計量和科研 。
二、產品用途
用于校驗壓力(差壓)變送器、精密壓力表、普通壓力表
用于高精度壓力測量
三、技術參數?
量程:-0.1-250MPa(范圍內選擇)?
壓力模式:表壓,絕壓,密封表壓?
精度:0.05 級,0.02 級?
通訊方式:無通訊,RS485 通訊?
環境溫度:(-10~50)℃?
相對濕度:<95%;?
大氣壓力:(86~106)kPa;?
存儲溫度:(-20~70)℃。?
白色背光,5位/6 位數字顯示,帶進度條顯示?
內部電池供電 / 外部直流 9V 電壓供電 / 外部直流 24V 電壓供電/定制
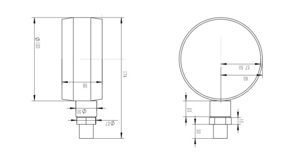
外形尺寸:Φ120mm×58mm;?
重量:約 0.5kg;?
壓力連接:M20 × 1.5mm;?
1.2 倍過載?
四、產品選型

五、螺紋連接方式

六、儀表尺寸

一、產品概述
YK-120B 超穩數字壓力表傳感器采用單晶硅壓力傳感器、藍寶石傳感器等,時漂更小,穩定性更好,壓力范圍更寬,屬于100 系列升級款,采用鑄鋁外殼,外觀更加美觀。 精密數字壓力表采用高精度低功耗大規模集成電路為核心器件,主要由高精度測量芯片、電池充電保護電路、傳感器和信號處理電路組成。 該產品采用微處理器對儀表零點漂移,非線性等進行自動補償、修正,采用高穩定度壓力傳感器等高性能器件,確保儀表精度和可靠性。該儀表可自行設定各種功能參數,應用靈活,且有各種功能可選定,可用作較高準確度壓力校準標準器(表),也可用作工作儀表、電力、冶金、石油、化工等行業實驗室和現場進行計量和科研 。
二、產品用途
用于校驗壓力(差壓)變送器、精密壓力表、普通壓力表
用于高精度壓力測量
三、技術參數?
量程:-0.1-250MPa(范圍內選擇)?
壓力模式:表壓,絕壓,密封表壓?
精度:0.05 級,0.02 級?
通訊方式:無通訊,RS485 通訊?
環境溫度:(-10~50)℃?
相對濕度:<95%;?
大氣壓力:(86~106)kPa;?
存儲溫度:(-20~70)℃。?
白色背光,5位/6 位數字顯示,帶進度條顯示?
內部電池供電 / 外部直流 9V 電壓供電 / 外部直流 24V 電壓供電/定制
外形尺寸:Φ120mm×58mm;?
重量:約 0.5kg;?
壓力連接:M20 × 1.5mm;?
1.2 倍過載?
四、產品選型

五、螺紋連接方式

六、儀表尺寸
